
Items that have been defined as production compensation, are listed without tolerance and without quality grade. The selected production compensation is printed in Quick3 view now.
When you select production compensation, the concerned quality grades are marked red.

In FED2, production compensation by number of coils was removed, because modification of n would modify the loop position (angle between both loops). Similar in FED3, if 1 spring torque, spring angle and delta0 is defined. Delta0 fixes n (number of coils).
TR1, GEO1+: Square and Rectangular Tube with Chamfer
An edge radius can now be added to square and rectangular tubes in GEO1+ and TR1.

TR1, GEO1+ Profile Name
If you select profile from profile database, size and description is now saved and printed under "drawing name 2".
WN2+ Tooth Root Tolerance in Production Drawing
When manufacturing toothing, min and max value of tooth root diameter results from tooth height and addendum modification coefficients xemin and xemax. DIN 5480 defines a larger tolerance for df, based on nominal diameter: Adf=0.2m+0.73Asi. In production drawing of WN2, tolerance according to DIN 5480 is now applied on df, as in the table.

ZM1 - Roller Chains of American Style added to Database

Roller chains of European style are described in DIN 8187, American roller chains according to DIN 8188. Both types are covered by ISO 606. ZM1 database included only few chain sizes to DIN 8188 until now. Database now was extended with roller chains 10A, 12A, 16A, 20A, 24A, 32A, 40A and 48A. ZM1 generates sprocket profile as CAD file.
ZM1 - Quick3

ZM1 has got a new Quick3 view with drawing, tables, dimensions and calculation results on one page.
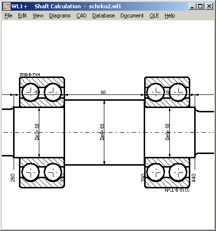
LG1, WL1+, ZAR5: Double-row Angular Contact Ball Bearing and Needle Cage
Roller bearing database in LG1, WL1+ and ZAR5 were completed with double-row angular contact ball bearings as well as needle roller and cage assemblies.

Needle roller and cage as planet gear bearing in ZAR5

Shaft with double-row angular contact ball bearings in WL1+
FED3+ Input of Permissible Bending Stress
At "Edit->Material", you can now enter permissible bending stress instead of permissible shear stress. Because torsion spring is stressed by bending and not by torsion.

Default file name at "File->Save As" and Print - all programs
"File->Save As" window shows now the current file name as default, and also if you print a graphic as pdf file (with pdf printer driver).