WNXE - Neue Software für Paßverzahnungen mit Evolventenflanken

Die neue WNXE Software ist ein sehr flexibles Tool für die Berechnung jeder Paßverzahnung mit Evolventenflanken. Jede Zahnwelle oder Zahnnabe kann in kürzester Zeit erfaßt und berechnet werden, und das Zahnprofil als maßstäbliche Zeichnung ausgegeben, oder ein Gegenstück dazu konstruiert werden. Die Eingabemöglichkeiten sind vielfältig: Modul oder Pitch, Zahnhöhen oder Zahnhöhenfaktoren oder Kopf-/Fußkreisdurchmesser in mm oder inches, Profilverschiebungsfaktor oder Zahndicke oder Zahnlückenweite oder diametrales Rollenmaß oder Zahnweite. Und die Gegenverzahnung kann man auch durch Vorgabe von Flankenspiel und Kopfspiel berechnen lassen. WNXE ist sofort lieferbar zum Preis von 375 Euro für die Einzelplatzlizenz.

ZAR5 – Vorauslegung für mehrstufige Planetengetriebe

Neu in ZAR5 ist eine Vorauslegung für mehrstufige Planetengetriebe, um große Übersetzungen zu erreichen. Die Eingabe sollte möglichst einfach sein, so daß man mit wenigen Eingaben einen Überblick über die Größe der hintereinandergeschalteten Planetenstufen erhält. Deshalb gelten die Eingaben und gewählten Werkstoffe für alle Stufen und alle Zahnräder, und bei allen Planetenstufen ist das Hohlrad fest, und der Planetenträger treibt das Sonnenrad der nächsten Stufe. Mit einem Faktor kann man die Aufteilung der Übersetzungen einstellen. Bei "in-1/in"=1 werden alle Stufen mit demselben Übersetzungsverhältnis dimensioniert. Bei "in-1/in"=1,25 ist das Übersetzungsverhältnis der ersten Stufe um 25% größer als das der nächsten Stufe.

ZAR1+, ZAR2, ZAR5, ZAR6: Lastkollektiv: Alternativeingabe als Tabelle

Lastkollektive können entweder wie bislang Stufe für Stufe eingegeben werden, oder neu als Tabelle. Bei der Tabelleneingabe hat man die Möglichkeit, Drehmomente und Lastwechselzahlen durch ausschneiden und einfügen zu verschieben oder über die Zwischenablage von Windows aus anderen Programmen zu übernehmen. In dem Menü kann auch konfiguriert werden, ob die x-Koordinate im Diagramm (Lastspiele) linear oder logarithmisch dargestellt werden soll. Und unter "Ansicht->Fehler" kann man prüfen, ob Fehler bei Berechnung des Lastkollektivs festgestellt werden.

ZAR1+ Eingriffsstörungen

Bei Eingriffsstörungen im Zahneingriff wird eine Fehlermeldung ausgegeben. Diese Fehlermeldung enthält jetzt noch einen Zahlenwert für die Überschneidung in mm, so daß man einen besseren Anhaltswert für die Größe der zu treffenden Änderungen hat.

ZAR1+ Warnung: z0 cutter !
Für der Berechnung der Zahnformfaktoren YF und YS nach ISO 6336 wird bei Hohlrädern die Zähnezahl z0 und Profilverschiebung x0 des Schneidrads benötigt. Weil die Eingabe mit dem Schneidrad - Button unter Bearbeiten->Bezugsprofil leicht übersehen wird, erscheint jetzt eine Warnung "z0 cutter !", falls die Schneidradzähnezahl falsch oder gar nicht eingegeben wurde.
FED1+ Windungsabstand aW und Toleranzen e1,e2 in Quick1,3,4
In die Tabelle mit Federwegen, Federlängen, Federkraft und Spannung wurde der Windungsabstand aW mit aufgenommen (in Quick3 und Quick4).

In die Quick1-Ansicht wurden die Winkel- und Parallelitätstoleranzen e1 und e2 aufgenommen.

In der Tabelle mit Gütegraden in Quick3,4, und Fertigungszeichnung Quick3 wurden die Toleranzen e1 und e2 mit ausgedruckt. Gütegrade und Toleranzen e1, e2 werden nicht angezeigt, wenn die Endwindungen nur angelegt aber nicht geschliffen sind. Auch für warmgeformte Federn wird jetzt eine Tabelle mit den Toleranzen angezeigt, ebenso bei selbstdefinierten Toleranzen.
FED1+, 2+, 5, 6, 7: Relaxation mit tau/tauz
Die Relaxationskurven mit tau/tauz statt tau auf der x-Achse aus FED1+ wurden in alle Druckfederprogramme übernommen.
Mit den Relaxationskurven für tau/tauz wollte ich ursprünglich feststellen, ob die Abhängigkeit der Relaxation vom Drahtdurchmessers proportional ist zu zulässiger Schubspannung und Drahtdurchmesser. Dann hätte man auf Relaxationskurven für verschiedene Durchmesser verzichten können. Leider ist das nur der Fall bei VDC und TDC nach EN 10270-2 und bei 1.4568 nach EN 10270-3. Hier sind die Relaxationskurven tau/tauz für d=1 mm und d=6 mm fast deckungsgleich.

Datenbank Federwerkstoffe – Normenvergleich
ISO 8458-2 ist gleich wie EN 10270-1, auch die Typbezeichnungen sind dieselben: SL, SM, DM, SH, DH. (S für static, D für dynamic, L für low, M für middle, H für high). In der Federdatenbank wurden in NAME3 von EN 10270-1 die Vergleichsbezeichnungen aus ISO 8452-2 eingetragen. Dafür wurden die alten Bezeichnungen (DIN 17223-1) versetzt oder gelöscht.

FED3+ V17.5
In FED3+ V17.5 und V17.5.1 werden unter "Bearbeiten->Herstellung" die Daten (kugelstrahlen, Windungsrichtung) nicht übernommen. Klicken Sie zuerst auf den "Calc" Button und danach auf "OK", dann geht es. Oder Sie können auch ein kostenloses Update von Version 17.5 auf V17.5.2 bei uns anfordern.
FED1+, FED5, FED6: Dorn- und Hülsendurchmesser mit 2 Nachkommastellen
Falls der Dorn- oder Hülsendurchmesser kleiner als 16 mm ist, wird der größtzulässige Dorndurchmesser und der kleinstzulässige Hülsendurchmesser jetzt mit 2 (statt 1) Nachkommastellen angezeigt.
SR1 – Werkstoffdaten von Klemmplatten und Muttergewinde
Wenn die gespeicherten Werkstoffdaten Rm, Re, pG oder E-Modul von den Daten aus der Datenbank abweichen, erscheint jetzt eine Meldung. Diese zeigt an, daß Werte in der Datenbank geändert wurden. In der Berechnung werden die neuen Datenbankwerte verwendet, dadurch ergeben sich Unterschiede beim Vergleich der Ergebnisse mit der alten Berechnung.

SR1 – Vergleich Werkstoffdaten mit Datenbankwerten
Seit Version 20.2 wurde beim Öffnen einer SR1-Datei eine Fehlermeldung angezeigt, wenn es bei den Werkstoffdaten der Klemmstücke Differenzen gab zwischen den gespeicherten Werten und den Werten aus der Datenbank. Da vor kurzem die Benennung der Werkstoffe vereinheitlicht wurde und alte Werkstoffnamen durch neue ersetzt wurden, erschienen ab Version 20.2 viele lästige Meldungen wie " St 50 <> E295" beim Öffnen von alten SR1-Dateien. Ab Version 20.6 werden Differenzen bei der Werkstoffbezeichnung nicht mehr gemeldet, Fehlermeldungen erscheinen nur noch wenn sich Werkstoffdaten (Re, pG, E, alphaT) geändert haben.
SR1 – Toleranz Schaftlänge berücksichtigt

Für Sechskantschrauben nach ISO 4014 und ISO 4017 ist die Toleranz der Schaftlänge "IT 15" nach Produktklasse A und "IT 17" nach Produktklasse B. Für Schrauben ab M30 und Längen ab 160 mm gibt es nur noch Produktklasse B. Für Innensechskantschrauben nach ISO 4762 gibt es keine Auswahl, die Toleranzen entsprechen Produktklasse A. Ebenso Sechskant-Flanschschrauben nach EN 1662 und EN 1665.
Bei der Überprüfung der Gewindetiefe bei Sacklöchern werden jetzt Längentoleranz sowie Längung der Schraube und Stauchung der Klemmplatten berücksichtigt. Eine neue Fehlermeldung "LK+tG < Lmax" zeigt an, daß bei ESV im ungünstigsten Toleranzfall die Schraube im Gewindeauslauf der Mutter aufsitzt. Falls zusätzlich noch die alte Meldung "Gewindetiefe !" erscheint, ist dies schon bei Nennmaßen der Fall.
Soll die Schraubenlängentoleranz auch bei der Einschraubtiefe berücksichtigt werden? Dies betrifft ESV sowie DSV, bei denen der Überstand der Schraube über die Klemmplatten kleiner íst als die Mutterhöhe. Oder ist die Längentoleranz schon berücksichtigt bei der Eingabe des Zuschlags mzu? Eher nicht, weil dieser meist als Faktor der Gewindesteigung angegeben ist. Die Längentoleranz ist dagegen von der Schraubenlänge abhängig. Bei einer Schraubenlänge von 250 mm ist die Toleranz +/- 2,3mm. Dagegen spricht hingegen die Berücksichtigung der Längung der Schraube und Stauchung der Klemmplatten, dies vergrößert die Einschraublänge bei ESV.

Der Anwender kann nun selber entscheiden, ob er die Schraubenlängentoleranz für die Berechnung der tragenden Länge bei ESV berücksichtigen will, unter "Bearbeiten->Berechnungsmethode".
Wenn "ESV: Toleranz Schraubenlänge berücksichtigen für Einschraublänge mgeo und mtr" angekreuzt ist, wird die tragende Gewindelänge bei ESV und nicht durchgeschraubten DSV um die Längentoleranz der Schraube reduziert.
SR1 – E-Modul Mutter für Berechnung von deltaM
Gemäß VDI 2230-1:2014 wird die elastische Nachgiebigkeit deltaM des Muttergewindes bei ESV mit dem Elastizitätsmodul des Muttergewindes und bei DSV mit dem E-Modul des Schraubengewindes berechnet. Wieso eigentlich? Und müßte die elastische Nachgiebigkeit der Mutter nicht eher zu der elastischen Nachgiebigkeit der Klemmteile als zu der elastischen Nachgiebigkeit der Schraube addiert werden?
In SR1 wird bislang nach VDI 2230 gerechnet, allerdings war bei ESV der E-Modul aus dem Mutterwerkstoff nicht in jedem Fall übernommen worden. Wenn zuvor eine DSV ohne Berücksichtigung Mutterwerkstoff gerechnet worden war, wurde auch bei der ESV deltaM mit dem E-Modul einer DIN Mutter von 205.000 MPa gerechnet.
GEO1+, GEO2: Eingabe der Koordinaten als Tabelle
Die Koordinaten und Winkel der Positionen für den zu berechnenden Querschnitt kann man jetzt auch in einer Tabelle eingeben. Dabei gibt es die Möglichkeit, unter "Bearbeiten->Einfügen" die Daten von Excel oder einem anderen Programm über Zwischenablage zu übernehmen. Zellen werden markiert durch gedrückthalten der Shift-Taste, dann Zellen markieren mit den Cursortasten.


WL1+ Kopieren und Einfügen über Zwischenablage

Bei der Eingabe von Abmessungen in Tabellen sowie bei Eingabe von Tabellen mit Querkräften, Streckenlasten, Biegemomenten und Axialkräften kann man jetzt auch die Daten mittels "Copy und Paste" über Zwischenablage von Excel oder anderen Programmen übernehmen. Außerdem kann man Wellenzeichnung mit Wellenlasten in eine Bildschirmgrafik im Hintergrund anzeigen.
FED6, FED7, FED10, ZAR4, GEO4: Tabellen kopieren und einfügen über Zwischenablage

Erweiterte Eingabemöglichkeiten für Tabellen gibt es auch bei den Federprogrammen FED6 und FED7 für die Eingabe von Windungsabschnitten und Federkennlinie, und bei FED10 für die Eingabe der Flachfeder-Abmessungen, sowie bei ZAR4 und GEO4 bei der Eingabe der Teilkurve bzw. Nockengeometrie.
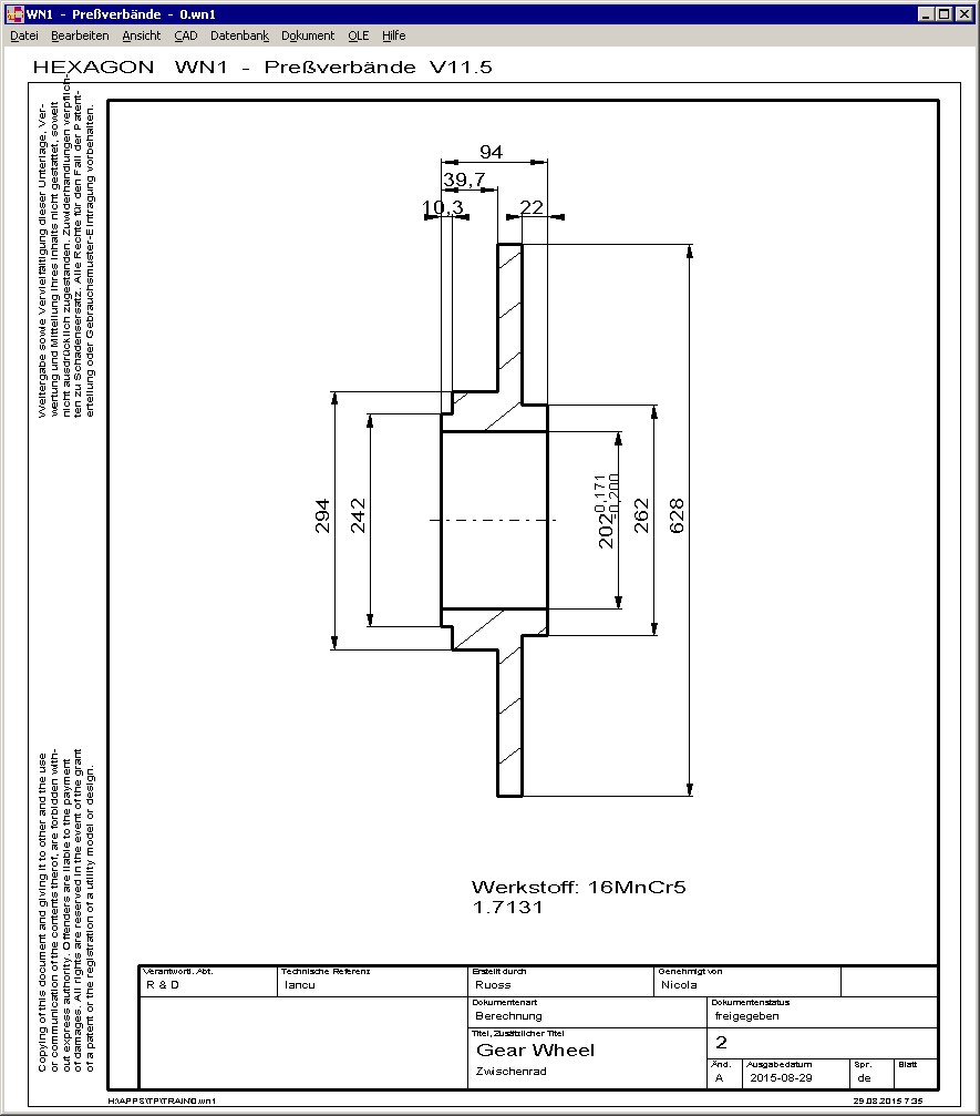
WN1 – Fertigungszeichnung Nabe
Neu in WN1 ist die Ausgabe der Nabenabmessungen in einer Fertigungszeichnung. Der Zeichnungskopf ist konfigurierbar. Zeichnungsdaten, Bearbeiter und Änderungen kann man in WN1 eingeben. Die Zeichnung kann in CAD übernommen werden via DXF oder IGES-Datei.

FED1+ Auslegung oder Nachrechnung nach Änderung Arbeitstemperatur
Wenn unter Bearbeiten->Anwendung die Arbeitstemperatur geändert wird, kommt jetzt ein Auswahlfenster: Auslegung oder Nachrechnung? Bei Auslegung wird die Windungszahl verändert, bei Nachrechnung ändern sich die Federkräfte.
Alle Programme: Zeichnungskopf konfigurierbar, Standardeinstellung ISO 7200

Wie schon bei den Quick4 DIN A3 Zeichnungen ist jetzt auch bei allen Fertigungszeichnungen und Tabellenzeichnungen im DIN A4 Format der Zeichnungskopf konfigurierbar (unter Datei->Einstellungen->Zeichnung).
Bisher war die Standardeinstellung bei den deutschen Versionen "DIN 6771 min" und bei den englischen Versionen "ISO 7200 Fig.2". Da auch in Deutschland schon vor Jahren von DIN 6771 auf den ISO 7200 Zeichnungskopf umgestellt wurde, ist "DIN 7200 Fig.2" nun auch in den deutschen Versionen die Standardvorgabe, wenn nichts anderes konfiguriert wird.
In den Federprogrammen wurde Feld 13 bzw. 12 "zusätzliche Angaben" entfernt, auch in EN 15800 gibt es das Feld nicht mehr. Wenn unter "Bearbeiten->Einstellungen" zusätzliche Angaben eingegeben werden, werden diese aber weiterhin ausgedruckt, 6 mm höher als bisher. Im ISO 7200 Zeichnungskopf gibt es andere Angaben als im DIN-Zeichnungskopf. Änderungen werden nicht mehr angezeigt, nur doch der aktuelle Änderungsindex-Buchstabe. Und es wird nur noch das Ausgabedatum angegeben. Dafür gibt es neue Felder "Verantwortliche Abteilung", "Dokumentenart" und "Dokumentenstatus". Diese können jetzt unter "Dokument->Zeichnungsdaten" eingegeben werden, wenn unter "Datei->Einstellungen->Zeichnung" ein ISO 7200 Zeichnungskopf konfiguriert wurde. Andere Angaben wurden aus DIN 6771 übernommen:
Technische Referenz: normgeprüft Erstellt durch: Bearb. Genehmigt von: gepr. Änd: Änderungsindex+1


POLYLINE verwenden bei Firmenlogo
Für das Einfügen des eigenen Firmenlogos in die Fertigungszeichnung sind jetzt auch Polylinien in der DXF-Zeichnung zugelassen. Mit dem Tool DXF2LOGO.EXE können Sie die DXF-Zeichnung mit Ihrem Firmenlogo in eine $LOGO_1.DX$-Datei konvertieren und dann in das Temporärverzeichnis kopieren.
Firmenlogo in ISO 7200 Zeichnungskopf
Wenn Sie bereits ein Firmenlogo für den DIN 6771 Zeichnungskopf erstellt haben, wird dieses auch in der richtigen Größe und Position im ISO 7200 Kopf verwendet. Sie müssen das Logo also nicht noch einmal in einer anderen Größe für den ISO 7200 Zeichnungskopf erstellen.

Bei ISO 7200 Fig.1 ist für das Firmenlogo bzw. den gesetzlichen Eigentümer nur ein Feld von ca. 30x16mm vorgesehen, im ISO 7200 Fig.2-Kopf dagegen mehr als doppelt so viel (ca. 70x26mm). Im DIN 6771 wurde unterhalb des Feldes mit dem Firmenlogo noch der Firmenname aus den Lizenzdaten ausgedruckt. Dafür ist im ISO 7200-Kopf kein Extrafeld vorgesehen. Wenn kein selbsterstelltes Firmenlogo als $LOGO_1.DX$-Datei gefunden wird, wird im ISO 7200-Kopf jetzt der Firmenname aus den Lizenzdaten in das Feld "gesetzlicher Eigentümer" geschrieben.
Weitere Zeichnungskopfformate
Wir sind offen für die Aufnahme weiterer konfigurierbarer Zeichnungsköpfe, beispielsweise ähnlich ISO 7200 mit Änderungsindex. Wenn Ihr Firmenzeichnungskopf weder ISO 7200 noch DIN 6771 entspricht, schicken Sie uns bitte eine Zeichnung.
Zeichnungskopf mit oder ohne Copyrightvermerk
Bei Fertigungszeichnung und Quick4-Zeichnungen kann man jetzt auch konfigurieren, ob der Copyrightvermerk am linken Rad mit ausgedruckt werden soll.

Fertigungszeichnung ohne Rand ausdrucken

Um eine DIN A4 Fertigungszeichnung ohne Rand zu drucken, muß sie etwas vergrößert und verschoben werden. Die Einstellungen kann man in der Datenbank abspeichern: Maßstab x/y: 2,0/1,06. Verschiebung x/y: -6 / -12.
Fenstergröße einstellen

Nach Installation oder mit Klick in den < Button wird das Fenster auf maximale Größe eingestellt. Bei WideScreen Bildschirmen werden dadurch Zeichnungen etwas verzerrt und Kreise als Ellipsen dargestellt. Jetzt gibt es zwei weitere < Buttons zum Angleichen der horizontalen Auflösung x an die vertikale Auflösung y und umgekehrt. In dieser Einstellung wird nicht mehr der ganze Bildschirm ausgefüllt, und Kreise werden als Kreis dargestellt.
Update-Geschichte (History) online

Unter "Hilfe->History" kann man die Datei mit Beschreibung der Updates anzeigen. Zusätzlich will man vielleicht wissen, was danach geändert wurde, um zu sehen ob sich ein Update lohnt. Jetzt wird man unter "Hilfe->History (www)" direkt mit der entsprechenden Internetseite verlinkt. Zuvor werden Login-Daten abgefragt, siehe im Infobrief-Email.

Dokument verknüpfen statt Dokument Setup und Dokument 1..5
Unter "Dokument->Dokument Setup" kann man beliebige zugehörige Dokumente mit der aktuellen Berechnung verknüpfen. Die bis zu 5 Verknüpfungen konnten bislang unter Dokument->Dokument 1 bis Dokument 5 aufgerufen werden. Jetzt wurde alles in einem Fenster zusammengefaßt, das Eingabefenster erhielt Buttons zum Aufrufen der Verknüpfung. "Exec Prog" entspricht dem bisherigen Aufruf mit Programm- und Dateiname. "Exec File" ist neu und startet nur die angegebene Datei mit dem unter Windows verknüpften Programm, die Eingabe "Programm" kann leer bleiben.
So kann man unter "File" auch Internetadressen eingeben, wenn zu der Berechnungsdatei auf Dokumente aus dem Internet verwiesen werden soll.
Weil die "Program" Eingabe bei "Exec File" nicht verwendet wird, kann man die Zeile für eine Beschreibung des Links verwenden.

Tipp: Berechnungsergebnisse schnell vergleichen
Die zweite Datei unter den angezeigten Dateinamen im Dateimenü wird mit dem Tastenkürzel Umschalt-F2 geöffnet. So kann man mit Umschalt-F2 immer zwischen den beiden letzten Berechnungen wechseln. Oder mit Umschalt-F3 zwischen den letzten 3 und mit Umschalt-F4 zwischen den letzten 4 Berechnungen. Angezeigt wird die unter Datei->Einstellungen->Einstellungen konfigurierte Ergebnisgrafik.

Bei mehr als 4 Vergleichsberechnungen die Dateien in einen Unterordner kopieren, dann "Datei->Öffnen Tabelle".